



一 產品用途:
DXH06-FC750/3W30產品主要用于通信、鐵路、計算機網絡、電力、氣象、交通、住宅等領域的電子、電源設備的防雷以及操作過電壓的保護作用。
二 工作原理:
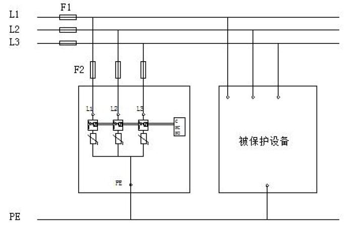
交流浪涌保護器用于交流電源的第二級(C 級)雷電過電壓保護,三相浪涌保護器采用-3防護電路,如下圖所示。
三 產品特點:
◆多種通流容量,動作電壓適當,保護電路穩健
◆內置過溫過流保護,無續流,高可靠安全
◆模塊化結構,安裝簡單,維護方便
◆具備狀態指示和遙信告警功能
四 安裝方法:
1模塊結構浪涌保護器接線圖如安裝接線圖所示:
2電源連接導線用不小于10mm2的多股銅線,接地線用不小于16mm2的多股銅線。連接線應盡量的短、直、粗。地網接地電阻:R≤4Ω,扭力:1.8 -2.2Nm。
3交流浪涌保護器的前端應串聯有合適的空開或熔斷器,空開取C脫扣特性。
五 安裝注意事項:
1安裝時必須斷開電源,嚴禁帶電操作,連接導線必須符合要求。
2 浪涌保護器正常工作時,告警干接點為導通狀態;浪涌保護器失效時,狀態指示變紅色,同時告警干接點為開路狀態。
3當故障顯示窗口指示紅色時,表示浪涌保護器發生故障,應及時更換。浪涌保護器無須特別維護,只需定期檢查其連接是否有松動,狀態指示是否正常。
六 技術參數:

七 安裝接線圖: