



1、應用范圍
DXH06-F/3+1R12.5-T1電涌保護器,適用于220/380Va.c.電壓系統,配電系統以及終端設備的電涌保護,應安裝在防雷區0(LPZ0)和防雷區1(LPZ1)的界面處。
2、外形結構圖(此圖只作示意,以提供安裝尺寸為主)
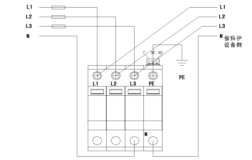
3、接線方式
V形接線
常規接線
4、技術參數
| 序號 | 技術指標 | 設備型號 |
| DXH06-F/3+1R12.5-T1 | ||
| 1 | 工作系統電壓Un | 230/ 400V, 50Hz/ 60Hz |
| 2 | 產品類別 | T1+T2 |
| 3 | 最大持續運行電壓Uc | 320V a.c. |
| 4 | 標稱放電電流In | 20kA(8/20μs) |
| 5 | 最大放電電流Imax | 40kA(8/20μs) |
| 6 | 沖擊電流IImp | 12.5kA(10/350μs) |
| 7 | 對地漏電流Ic | <1mA |
| 8 | 限制電壓Up@20kA | ≤1.6kV(L—N), ≤1.3kV(N—PE) |
| 9 | 響應時間 | ≤25ns |
| 10 | 端口數量 | 1端口 |
| 11 | 串接熔絲 | 100A gL/ gG (input current>100A) |
| 12 | 短路電流 | 10kA |
| 13 | 保擴模式 | N——PE、L——N |
| 14 | 內部保護裝置 | 防雷單元內置熱脫扣裝置 |
| 15 | 接入導線截面 | 4~35mm2 |
| 16 | 裸線壓接長度 | 12.5mm |
| 17 | 安裝接線力矩 | 1.5Nm |
| 18 | 劣化失效指示 | 防雷模塊具有指示窗口,故障狀態下指示窗口變紅色 |
| 19 | 遙信方式 | 告警干接點,NC-C-NO接點 |
| 20 | 遙信端子性能 | AC:250V/0.5A;DC:250V/0.1A,125V/0.2A,75V/0.5A |
| 21 | 遙信導線截面 | 最大1.5mm2 |
| 22 | 安裝方式 | 標準導軌安裝DIN rail 35mm |
| 23 | 外殼材料防火等級 | UL94-V0 |
| 24 | 外殼防護等級 | IP20 |
| 25 | 工作溫度 | -40℃~+80℃ |
| 26 | 相對濕度 | ≤95%(25℃) |
| 27 | 海拔高度 | ≤3000m |
| 28 | 外形尺寸(不含接線端子) | 90mm×81mm×72mm |